柴油泵、电动燃油输送泵
最大电压:12V/24V
最大电流:20A/10A
最大流量:13GPM (50LPM)
扬程:10m
接口方式:3/4" NPT/BSP
SEAFLO 05系列柴油泵是一款可自吸式柴油转移泵,在12伏或24伏的电力驱动下,最大可以每分钟50升的流量高效填充柴油,可轻松安装于各种重型机械设备,比如挖掘机、起重机、压路机、发电机等。适用于柴油、煤油、石蜡、液压油以及粘度高达150厘沲(750赛波特通用粘度)的油。
特征和优点
流量高达 50 升/分钟 (13 加仑/分钟),实现快速加油
自吸能力强,垂直吸程可达 3 米(9.6 英尺)
扬程最高可达 10 米(32 英尺)
IP55 防护等级电机,防尘防水
可在 3 米扬程下连续额定运行
支持过热和过流保护
经过振动测试,确保安全
配备 1 英寸软管接头,方便安装
坚固的铸铁结构,搭配青铜滑动叶片,可在恶劣条件下长时间运行
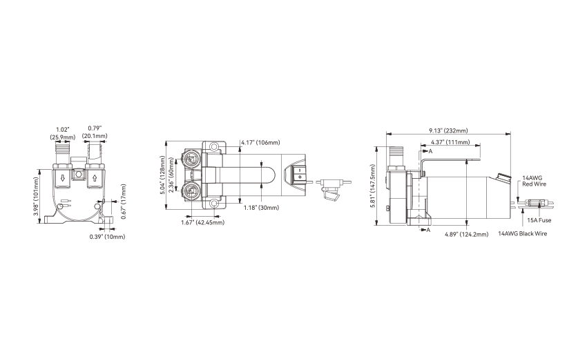
尺寸图

性能图

技术参数
| 型号 | 额定电压 | 最大电流 | 工作电流 | 开口流量 | 吸程 | 扬程 | 保险丝 | 水泵接口 |
| SFFTP1-132-05B | 12V | 20A | 16A | 13/50 | 3m | 10m | 25A | 3/4" BSP |
| SFFTP2-132-05B | 24V | 10A | 8A | 13/50 | 3m | 10m | 15A | 3/4″ BSP |
| SFFTP1-132-05N | 12V | 20A | 16A | 13/50 | 3m | 10m | 25A | 3/4″ NPT |
| SFFTP2-132-05N | 24V | 10A | 8A | 13/50 | 3m | 10m | 15A | 3/4″ NPT |