游艇轮船清洗工具,高压清洗套件,汽车清洗套件
额定电压:12V/24V
最大流量:5.2GPM / 19.7LPM
停止压力:70PSI / 4.8BAR
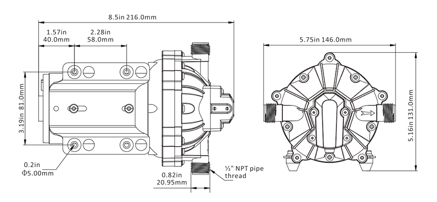
我们的大功率冲洗泵套件,非常适用于清洁船只,鱼箱,锚孔,橡皮艇,以及其他类似产品。该泵最大流量可达19.7升每分钟。这种带压力开关的自动隔膜泵,可以在按压喷枪时泵自动启动。在压力70PSI时截止,适用于淡水和海水应用。

更多特征和优点
• 自吸高达1.83米/ 6英尺
• 喷枪范围10米/ 32.81英尺
• 可短时间干运转,间歇式工作
• 6.5米防紫外线伸缩软管
• 防腐烤漆涂层电机
• 非常适用于清洗渔船,鱼箱,锚链和小艇
技术参数
| 型号 | 额定电压 | 最大流量 (GPM/LPM) | 最大电流 | 停止压力 (PSI/BAR) |
| SFWP1-052-070-51A NEW | 12V | 5.2 / 19.7 | 18.0 | 70 / 4.8 |
| SFWP2-052-070-51A NEW | 24V | 5.2 / 19.7 | 9.5 | 70 / 4.8 |


物流信息
单台重量 | 3.5 公斤(7.72 磅) |
单台包装尺寸 (长 x 宽 x 高) | 36.5 x 27.0 x 14.0 厘米 (14.37 " x 10.63 " x 5.51 ") |
单台包装重量 | 4.2 公斤(9.26 磅) |
外箱包装尺寸 (长 x 宽 x 高) | 61 x 45 x 33 厘米 (24.02 " x 17.72 " x 12.99 ") |
外箱装箱数量 | 4 台 |
整箱重量 | 17.7 公斤(39.02 磅) |
整箱体积 | 0.091 立方米 |