房车淡水泵,游艇淡水泵、12V直流水泵,直流增压泵,直流高压水泵,微型高压水泵
额定电压:12V/24V/115V/220V
最大流量:10.6-11.3LPM / 2.8-3.0GPM
停止压力:45PSI / 3.1BAR
吸程:1.8米
液体温度:可承受60° C (140° F)
材质:膜片材质:Santoprene / 阀门材质:EPDM
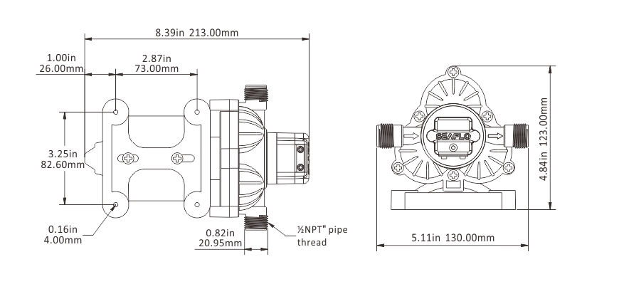
接口方式:1/2"-14外螺纹接口
应用场景:游艇、房车
33系列隔膜泵能够保证在较小压力下较大的输入流量,是一款值得信赖的泵。此3腔隔膜泵流量可以达到11.6升每分钟,自吸高度达到1.8米,可以短时间干运转。微型多出水口压力泵,可以安装3个或者更多的13毫米(1/2英寸)的出水口。这种带压力开关的自动隔膜泵,可以在打开水龙头时泵自动启动,关闭水龙头时泵自动停止工作。同时具有安装便捷,易于操作和易于排水防冻的特点。

更多特征和优点
• 标准配置接头和过滤器
• 全橡胶安装底座,工业标准安装模式
• 最大流量3.0GPM,自吸能力强
• 间歇性工作,可干运转,运转安静
• 可调节的长寿命压力开关
• 16号线,10.6英寸(27厘米)长的欧式插头或电线
• 符合CE, RoHS, PAHs, Reach, ISO8846标准
技术参数
| 型号 | 额定电压 | 开口流量 | 最大电流 | 停止压力 |
| SFDP1-030-045-33 | 12V | 3.0 / 11.3 | 6.74A | 45 / 3.1 |
| SFDP2-030-045-33 | 24V | 3.0 / 11.3 | 3.40A | 45 / 3.1 |
| SFDP1-028-045-33 | 12V | 2.8 / 10.6 | 5.61A | 45 / 3.1 |
| SFDP2-028-045-33 | 24V | 2.8 / 10.6 | 3.02A | 45 / 3.1 |
| SFDPA1-030-045-33 | 115V | 3.0 / 11.3 | 1.60A | 45 / 3.1 |
| SFDPA2-030-045-33 | 220V | 3.0 / 11.3 | 0.80A | 45 / 3.1 |


2.8GPM / 45PSI
压力 | 12V | 24V | |||||
流量 | 电流 | 流量 | 电流 | ||||
PSI | BAR | GPM | LPM | AMPS | GPM | LPM | AMPS |
0 | 0 | 2.56 | 9.70 | 2.80 | 2.62 | 9.90 | 1.56 |
10 | 0.69 | 2.11 | 8.00 | 4.46 | 2.17 | 8.20 | 2.34 |
20 | 1.38 | 1.80 | 6.80 | 4.82 | 1.85 | 7.00 | 2.48 |
30 | 2.07 | 1.43 | 5.40 | 5.27 | 1.48 | 5.60 | 2.61 |
40 | 2.72 | 1.11 | 4.20 | 5.50 | 1.19 | 4.50 | 2.82 |
45 | 3.11 | 0 | 0 | 5.61 | 0 | 0 | 3.02 |


3.0GPM / 45PSI
压力 | 12V | 24V | |||||
流量 | 电流 | 流量 | 电流 | ||||
PSI | BAR | GPM | LPM | AMPS | GPM | LPM | AMPS |
| 0 | 0 | 2.78 | 10.54 | 4.24 | 2.81 | 10.6 | 1.66 |
| 10 | 0.69 | 2.41 | 9.12 | 5.01 | 2.27 | 8.60 | 2.11 |
| 20 | 1.38 | 2.06 | 7.80 | 5.95 | 2.01 | 7.60 | 2.58 |
| 30 | 2.07 | 1.69 | 6.40 | 6.43 | 1.72 | 6.50 | 3.01 |
| 40 | 2.76 | 1.37 | 5.20 | 6.69 | 1.40 | 5.30 | 3.30 |
| 45 | 3.45 | 0 | 0 | 6.74 | 0 | 0 | 3.40 |

物流信息
单台重量 | 1.92 公斤(4.23 磅) |
单台包装尺寸 (长 x 宽 x 高) | 26.4 x 14.3 x 13 厘米 (10.39" x 5.63" x 5.12 ") |
单台包装重量 | 2.16 公斤(4.76 磅) |
外箱包装尺寸 (长 x 宽 x 高) | 60 x 28 x 29 厘米 (23.62" x 11.02" x 11.42") |
外箱装箱数量 | 8 台 |
整箱重量 | 17.8 公斤(39.24 磅) 21 公斤(46.30 磅) |
整箱体积 | 0.049 立方米 |