房车水泵,增压泵,静音水泵,7.6L水泵
额定电压:12V/24V
最大流量:7.6-11.3LPM / 2.0-3.0GPM
停止压力:35-55PSI / 2.4-3.8BAR
吸程:1.8米
液体温度:可承受60° C (140° F)
材质:膜片材质:Santoprene / 阀门材质:EPDM
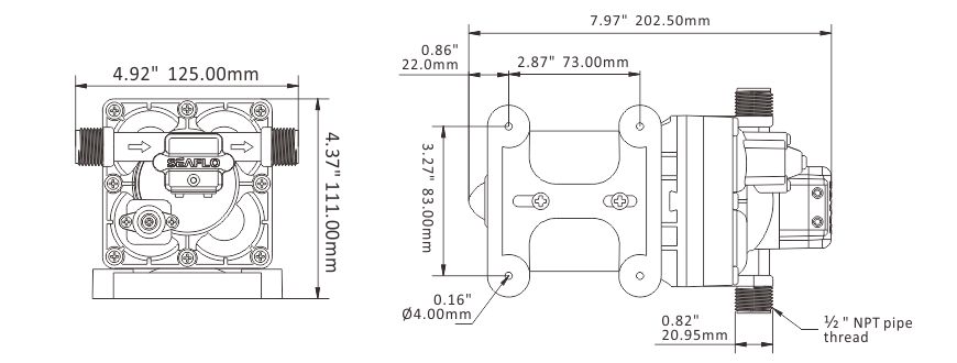
接口方式:1/2" -14外螺纹接口
应用场景:房车水箱加水;游艇房车水路系统增压供水;户外热水器增压;家庭自来水增压。
SEAFLO 42系列隔膜泵为SEAFLO品牌产品的全新力作,全新设计的泵头配上高效的电机,整个体积更小,运转犹如室内电风扇般安静。压力流量充足,可同时满足4个水龙头供水,无论清洗或淋浴,舒适的体验都刚刚好。全新升级方形开关,大大提升了密封防护等级;密封式线卡,端子不再松动;能承载更大的电流;启停寿命次数由之前的10万次提升到20万次,实现了品质的大飞跃。回流开关与压力开关配合自如,在小流量用水时,多余的水会自动在泵头内循环,减少压力开关频繁启动,有效保护压力开关损坏。配置智慧型压力开关,当打开水龙头时,水泵通电供水;当关闭水龙头时,水泵断电停水,为你提供如家中一样的用水自由。由于体积小、运转安静、智慧型开关组合等优点,自推出便成为游艇、房车等移动设备中供水系统的首选产品。

更多特征和优点
• 最大流量3.0GPM/12.5LPM,吸力强劲
• 间歇性工作,可短时间干运转,运转安静
• 内部旁路开关回流防止频繁启动
• 工业标准安装模式,全橡胶安装底座
• 标准配置快速安装接头和过滤器
• 16号线,9.4英寸(24厘米)长的欧式插头或电线
• 符合CE, RoHS, PAHs, Reach, ISO8846标准
技术参数
| 型号 | 额定电压 | 开口流量 | 最大电流 | 停止压力 |
| SFDP1-030-055-42 | 12V | 3.0 / 11.3 | 7.00 A | 55 / 3.8 |
| SFDP2-030-055-42 | 24V | 3.0 / 11.3 | 3.37 A | 55 / 3.8 |
| SFDPA1-030-055-42 | 115V | 3.0 / 11.3 | 1.10 A | 55 / 3.8 |
| SFDPA2-030-055-42 | 220V | 3.0 / 11.3 | 0.50 A | 55 / 3.8 |


3.0GPM / 55PSI
压力 | 12V | 24V | |||||
流量 | 电流 | 流量 | 电流 | ||||
PSI | BAR | GPM | LPM | AMPS | GPM | LPM | AMPS |
| 0 | 0 | 2.85 | 10.8 | 3.9 | 2.85 | 10.8 | 1.15 |
| 10 | 0.69 | 2.27 | 8.6 | 4.5 | 2.27 | 8.60 | 1.84 |
| 20 | 1.38 | 1.96 | 7.4 | 5.1 | 1.90 | 7.20 | 2.24 |
| 30 | 2.07 | 1.59 | 6.0 | 5.8 | 1.59 | 6.00 | 2.64 |
| 40 | 2.72 | 1.32 | 5.0 | 6.3 | 1.37 | 5.20 | 2.97 |
| 50 | 3.45 | 1.11 | 4.2 | 6.7 | 1.16 | 4.40 | 3.28 |
| 55 | 3.8 | 0 | 0 | 7.0 | 0 | 0 | 3.37 |

物流信息
单台重量 | 1.85 公斤(4.08 磅) |
单台包装尺寸 (长 x 宽 x 高) | 29.2 x 13.5 x 12.7 厘米 (11.5" x 5.32" x 5") |
单台包装重量 | 2.29 公斤(5.05 磅) |
外箱包装尺寸 (长 x 宽 x 高) | 60 x 28 x 29 厘米 (23.62" x 11.02" x 11.42") |
外箱装箱数量 | 8 台 |
整箱重量 | 17.8 公斤(39.24 磅) |
整箱体积 | 0.049 立方米 |